Types of Effluent Treatment Plant

Types of Effluent Treatment Plant

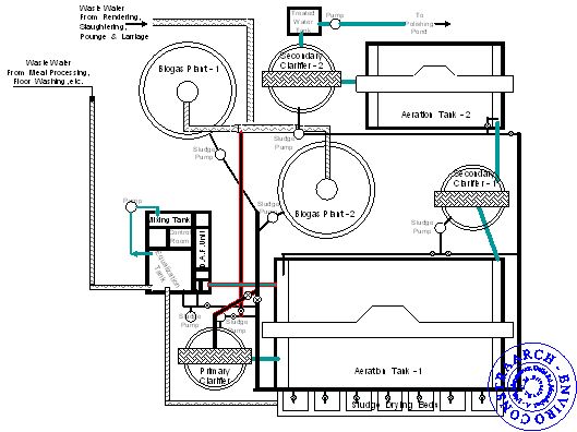
The above Effluent Treatment Plant is based on the treatment of higher discharge started from 400  m3/day & having higher range of parameters like B.O.D., C.O.D., Oil  & Grease, Suspended  Solids, Total Dissolved Solids.This kind of Effluent Treatment Plant is suitable for Sugar Mills, Pulp & Paper Mills, Distilleries, Large Dairy, Slaughter Houses & Sewage Treatment Plants This is a general layout of Effluent Treatment Plant, On the base of discharge and quality of parameters few more kind of pollution control devices are being added to achieve the desired limits.

Note : CONSTRAARCH – ENVIRO has been installed so many effluent treatment plants in different Industries. CONSTRAARCH - ENVIRO is providing all the parameters within the norms as laid down by  the polluion control board.

CONSTRAARCH - ENVIRO is designing, manufcaturing & installing all  kind  of pollution control equipments as per the required treatment of waste water & Air pollutants.

If you have any problem / Querry,  feel free to contact us.

If You Need Any Solution.....We Are Available For You

Home
Products
Whats App
Contact Us